"Железо", разработки для БК

"Модем"


однобитный звуковой АЦП


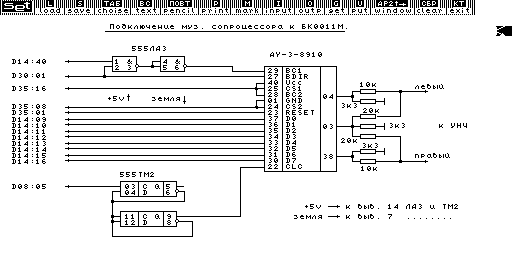
музыкальный сопроцессор


Цветная палитра высокого разрешения


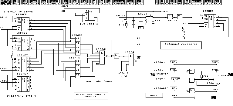
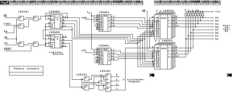
ТВ-сканер